Texas Instruments TPS54527 / TPS54528 5A SWIFT™ Converters
Texas Instruments TPS54527 and TPS54528 5A synchronous step down (SWIFT™) converters are adaptive on-time D-CAP2™ mode synchronous buck converters. The TI TPS54527 and TPS54528 feature a wide input voltage range of 4.5V to 18V and an output voltage range of 0.76V to 6.0V. The D-CAP2 mode of these TI SWIFT converters enables fast transient response. The TI TPS54528 includes Eco-mode™ for high efficiency during lighter load conditions. The TI TPS54527 and TPS54528 are designed for use in a wide range of applications for low-voltage systems, including digital TV power supplies and Blu-ray™ players.Features
- D-CAP2™ Mode Enables Fast Transient Response
- Low Output Ripple and Allows Ceramic Output Capacitor
- Wide VIN Input Voltage Range: 4.5V to 18V
- Output Voltage Range: 0.76V to 6.0V
- Auto-Skip Eco-mode for High Efficiency at Light Load (TPS54528)
- Highly Efficient Integrated FETs Optimized for Lower Duty Cycle Applications
- 65mΩ (High Side) and 36mΩ (Low Side)
- High Efficiency, less than 10µA at shutdown
- High Initial Bandgap Reference Accuracy
- Adjustable Soft Start
- Pre-Biased Soft Start
- 650-kHz Switching Frequency (fSW)
- Cycle By Cycle Over Current Limit
Applications
- Digital TV Power Supply
- High Definition Blu-ray Disc™ Players
- Networking Home Terminal
- Digital Set Top Box (STB)
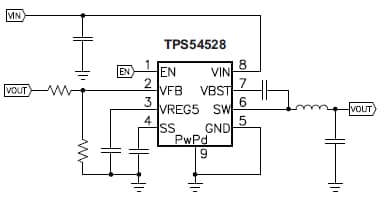
Functional Diagram
View Results ( 5 ) Page
| Part Number | Datasheet | Description |
|---|---|---|
| TPS54528DDAR | ![]() |
Switching Voltage Regulators 4.5-18VIN 5A SYNC ST EP-DOWN CONVERTER A A 595-TPS54528DDA |
| TPS54527DDA | ![]() |
Switching Voltage Regulators 4.5-18VIN 5A SYNC ST EP-DOWN CONVERTER A A 595-TPS54527DDAR |
| TPS54527DDAR | ![]() |
Switching Voltage Regulators 4.5-18VIN 5A SYNC ST EP-DOWN CONVERTER A A 595-TPS54527DDA |
| TPS54528DDA | ![]() |
Switching Voltage Regulators 4.5-18VIN 5A SYNC ST EP-DOWN CONVERTER A A 595-TPS54528DDAR |
| TPS54527EVM-052 | ![]() |
Power Management IC Development Tools TPS54527EVM-052 |
Published: 2012-03-01
| Updated: 2022-03-11

