Texas Instruments TPS563211 3A Synchronous Buck Converter
Texas Instruments TPS563211 3A Synchronous Buck Converter is a flexible, cost-effective solution in a SOT583 package. The TPS563211 Converter features a selectable Eco-mode operation or FCCM (Force Continuous Conduction Mode) operation. Furthermore, a selectable Power-Good indicator or external soft-start is also configurable through the MODE pin. The TPS563211 allows power sequencing by configuring Enable, Power-Good indicator, or external soft-start correctly. A 4.2V to 18V wide input voltage range supports a wide variety of common input rails, such as 12V and 15V. The device supports up to 3A continuous output current at output voltages between 0.6V and 7V.The TI TPS563211 3A Synchronous Buck Converter implements a fast transient response with true fixed switching frequency using the Advanced Emulated Current Mode (AECM) control topology. Facilitating an internal smart loop bandwidth control, the TPS563211 provides a fast transient response over a wide output voltage range without the need for external compensation.
A cycle-by-cycle current limit on the high-side peak current protects the converter in overload situations. This feature is enhanced by a low-side valley current limit, which prevents current runaway. Hiccup mode is triggered under overvoltage protection (OVP), undervoltage protection (UVP), UVLO protection, and thermal shutdown.
The TPS563211 3A Synchronous Buck Converter is housed in a 1.6mm × 2.1mm SOT583 package.
Features
- 4.2V to 18V Input voltage
- 0.6V to 7V Output voltage
- Up to 3A continuous output current
- 45ns Minimum switching on time
- 98% Maximum duty cycle
- High efficiency
- Integrated 66mΩ and 33mΩ MOSFETs
- Quiescent current 120μA typical
- Highly flexible and easy to use
- Selectable Eco-mode or FCCM operation
- Selectable power good indicator or external soft start
- Precise enable input
- High accuracy
- ±1% (25°C) Reference voltage accuracy
- ±8.5% Switching frequency tolerance
- Small solution size
- Internal compensation for ease of use
- SOT583 package
- Minimum external components
- Cycle-by-cycle current limit for both high-side and low-side MOSFETs
- Non-latched OVP, UVP, UVLO, and TSD protections
- Create a custom design using TPS562211 with the WEBENCH® Power Designer
Applications
- Set-top box (STB), digital TV
- Smart speaker
- Wired networking, broadband
- Surveillance
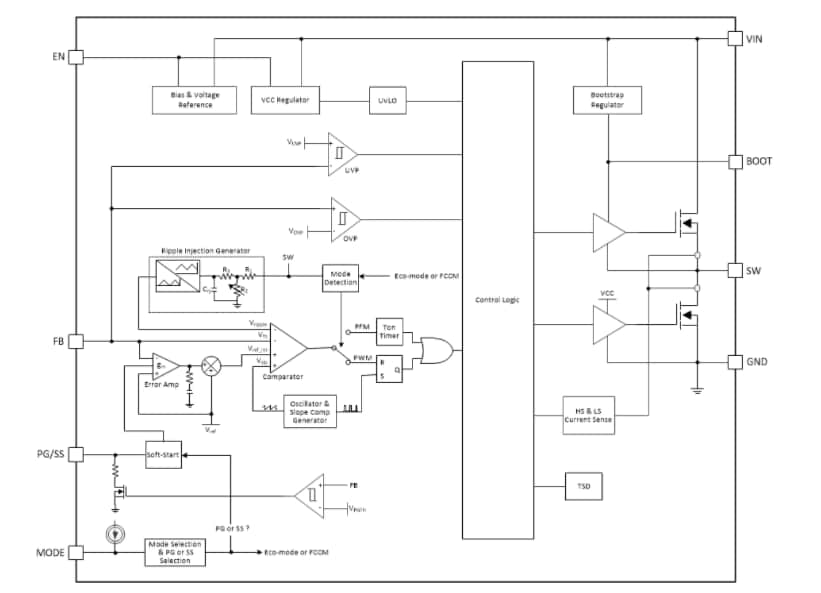
Functional Block Diagram
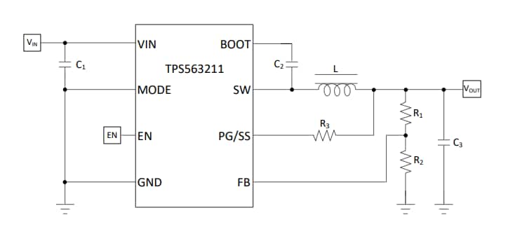
Simplified Schematic
