Texas Instruments TPS6521825 Power Management ICs

Texas Instruments TPS6521825 Power Management ICs are single-chip power-management ICs (PMICs) to support the i.MX 8M Mini processor. The ICs are in conjunction with the LP873347 device. The Texas Instruments TPS6521825 is characterized across a –40°C to +105°C temperature range, making it ideal for industrial applications.

Features

  • Three adjustable step-down converters with integrated switching FETs (DCDC1, DCDC2, and DCDC3)
    • DCDC1: 0.85V default, up to 1.8A
    • DCDC2: 1.1V default, up to 1.8A
    • DCDC3: 3.3V default, up to 1.8A
    • VIN range from 2.7V to 5.5V
    • Adjustable output voltage range 0.85V to 1.675V (DCDC1 and DCDC2)
    • Adjustable output voltage range 0.9V to 3.4V (DCDC3)
    • Power Save Mode at light load current
    • 100% duty cycle for the lowest dropout
    • Active output-discharge when disabled
  • One adjustable buck-boost converter with integrated switching FETs (DCDC4)
    • DCDC4: 1.8V default, up to 1.6A
    • VIN range from 2.7V to 5.5V
    • Adjustable output voltage range 1.175V to 3.4V
    • Active output discharge when disabled
  • Two low-quiescent current, high-efficiency step-down converters for battery backup domain (DCDC5, DCDC6)
    • DCDC5: 1V output
    • DCDC6: 1.8V output
    • VIN range from 2.2V to 5.5V
    • Supplied from system power or coin-cell backup battery
  • Adjustable general-purpose LDO (LDO1)
    • LDO1: 1.8V default up to 400mA
    • VIN range from 1.8V to 5.5V
    • Adjustable output voltage range from 0.9V to 3.4V
    • Active output discharge when disabled
  • Low-voltage load switch (LS1) with 350mA current limit
    • VIN range From 1.2V to 3.6V
    • 110mΩ (max) switch impedance at 1.35V
  • 5V load switch (LS2) with 100mA or 500mA selectable current limit
    • VIN range from 3V to 5.5V
    • 500mΩ (max) switch impedance at 5V
  • High-voltage load switch (LS3) with 100mA or 500mA selectable current limit
    • VIN range from 1.8V to 10V
    • 500mΩ (max) switch impedance
  • Supervisor with built-in supervisor function monitors
    • DCDC1, DCDC2 ±4% tolerance
    • DCDC3, DCDC4 ±5% tolerance
    • LDO1 ±5% tolerance
  • Protection, diagnostics, and control
    • Undervoltage Lockout (UVLO)
    • Always-on push-button monitor
    • Overtemperature warning and shutdown
    • Separate Power-Good output for backup and main supplies
    • I2C interface (address 0x24)

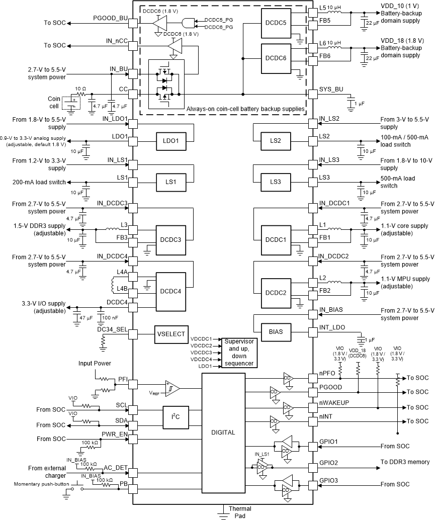
Block Diagram

Block Diagram - Texas Instruments TPS6521825 Power Management ICs
Published: 2019-12-24 | Updated: 2024-02-15