Texas Instruments TPS92642-Q1 Infrared LED Driver
Texas Instruments TPS92642-Q1 Infrared LED Driver is a monolithic, synchronous bus LED driver operating at a 5.5V to 36V input voltage range. The adaptive on-time control with a near-constant switching frequency can be set between 100kHz and 2.2MHz for this device. The TPS92642-Q1 high-performance LED driver can independently modulate LED current using analog or PWM dimming techniques. This driver incorporates an internal pulse monitoring circuit that limits the maximum pulse duty cycle. This TPS92642-Q1 device is AEC-Q100 qualified for automotive applications. The TPS92642-Q1 LED driver is used in Driver Monitoring Systems (DMS), IR LED, and laser driver applications.The TPS92642-Q1 Infrared LED Driver with advanced diagnostic and fault protection features cycle-by-cycle switch current limit, bootstrap undervoltage, LED open, LED short, and thermal shutdown. This driver operates at 40V tolerance, supporting load dump for 400ms duration. The TPS92642-Q1 driver is suitable for the implementation of step-down LED driver topology.
Features
- AEC-Q100 qualified for automotive applications:
- -40°C to 125°C ambient operating temperature Grade 1
- Device HBM classification level H1C
- Device CDM classification level C5
- Functional safety-capable
- Documentation available to aid functional safety system design
- 5.5V to 36V input voltage range:
- Operation down to 5.15V after start-up
- Up to 5A pulsed output current with 4% accuracy
- Adaptive on-time current control:
- Low offset high-side current sense amplifier
- 100kHz to 2.2MHz programmable switching frequency range
- Advanced dimming operation:
- 1000:1 precision PWM dimming
- 15:1 precision analog dimming
- Internal maximum duty cycle limit
- Cycle-by-cycle switch overcurrent protection
- Open-drain fault indicator output
- LED short circuit, open circuit, and cable harness fault indication
- Thermal shutdown protection
Applications
- Driver Monitoring Systems (DMS)
- IR LED and laser driver
Typical Buck LED Driver Application Schematic
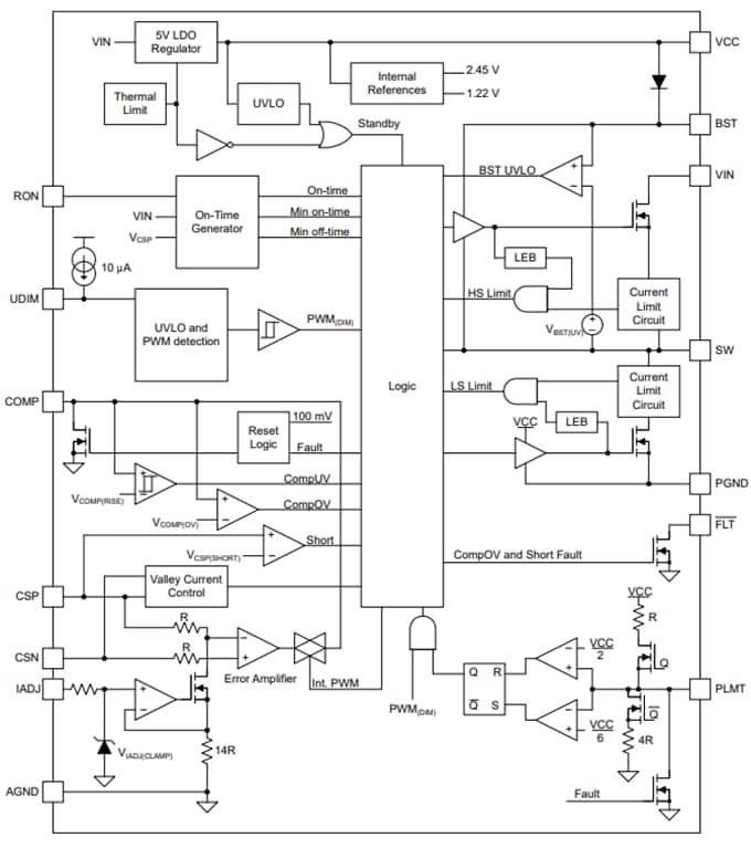
Block Diagram
Published: 2024-01-05
| Updated: 2024-01-24
