Texas Instruments TPS92663-Q1 Automotive LED Matrix Managers
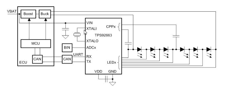
Texas Instruments TPS92663-Q1 High-Brightness LED Matrix Manager for Automotive Headlight Systems offers a fully dynamic adaptive lighting solution. The device provides individual pixel-level LED control and includes two sub-strings of three series-connected integrated switches for bypassing individual LEDs. Single or multiple current sources can be accepted by the individual sub-strings and a parallel connection of two switches to bypass high-current LEDs. A multi-drop universal asynchronous receiver transmitter (UART) serial interface controls the device through a master microcontroller. CAN transceivers can be used supported through the serial interface for a stronger physical layer. LED binning and coding is possible by an on-device 8-bit ADC with two multiplexed inputs used for system temperature compensation. An open LED protection is featured on the TPS92663-Q1 with a programmable threshold. The TPS92663-Q1 devices are AEC-Q100 qualified for automotive applications.Features
- AEC-Q100 Qualified for automotive applications
- –40°C to 125°C, TA Device temperature grade 1
- H1C Device HBM Classification level
- C5 Device CDM Classification level
- 4.5V to 60V Input voltage range
- Six integrated bypass switches
- Two sub-strings of three series switches
- 20V (Maximum) Across the switch
- 62V (Maximum) Switch to GND
- Multi-drop UART communication interface
- Up to 16 Addressable devices
- Integrates on the same bus with the TPS92662
- Compatible with CAN physical layer
- Minimum number of wires in cable harness
- 8-bit ADC with two MUX inputs
- Crystal oscillator driver
- Programmable 10-bit PWM dimming
- Individual phase shift and pulse width
- Device-to-device synchronization
- LED Open and short detection and protection
Applications
- Automotive headlight systems
- High-brightness LED Matrix systems
- ADB or Glare-free high beam
Block Diagram
Published: 2018-08-08
| Updated: 2025-03-10
