Toshiba 300mA TCR3DM/TCR3EM Fixed Output LDO Regulators
Toshiba 300mA TCR3DM/TCR3EM Fixed Output LDO Regulators are CMOS general-purpose single-output voltage regulators with an on/off control input, delivering low dropout voltage and a fast load transient response. The regulators are ideal for portable applications requiring high-density board assembly, such as cellular phones.The Toshiba TCR3DMxxA series features low dropout voltage, low output noise voltage, fast load transient response, and low inrush current. The voltage regulators are offered in fixed output voltages between 1.0V and 4.5V and can drive up to 300mA. Additional features include overcurrent protection, thermal shutdown, inrush current protection circuit, and auto-discharge.
The TCR3DMxxA series is available in an ultra-small plastic mold DFN4D package (1.0mm x 1.0mm; t 0.37mm (typ.)) and has a low dropout voltage of 216mV (2.5V output, IOUT = 300mA) with low output noise voltage of 38μVrms (2.5V output). Small ceramic input and output capacitors of 1.0μF can be used with the TCR3DMxxA series.
The Toshiba TCR3EM series supplies low dropout voltage and a fast load transient response. These voltage regulators offer a 0.8V and 5.0V fixed output voltage range and can drive up to 300mA. The TCR3EM further features overcurrent protection, thermal shutdown, and autodischarge. The TCR3EM series is offered in the ultra-small plastic mold DFN4D package (1.0mm x 1.0mm; t 0.37mm (typ.)) and has a low dropout voltage of 160mV (2.5V output, IOUT = 150mA). Small ceramic input and output capacitors of 1.0µF can be used with the TCR3EM series.
Features
- TCR3DMxxA series
- Ultra-small package DFN4D (1.0mm x 1.0mm; 0.37mm (typ.))
- Wide range output voltage line up (VOUT = 1.0V to 4.5V)
- Low dropout voltage
- VDO = 175mV (typ.) at 3.3V output, IOUT = 300mA
- VDO = 216mV (typ.) at 2.5V output, IOUT = 300mA
- VDO = 297mV (typ.) at 1.8V output, IOUT = 300mA
- Low output noise voltage (VNO = 38μVrms (typ.) at 10Hz ≤ f ≤ 100kHz)
- High ripple rejection ratio (72dB (typ.) at 2.5V output, IOUT = 10mA, f = 1kHz)
- Fast load transient response (±80mV (typ.) at 2.5V output, IOUT = 1mA ⇔ 300mA)
- Overcurrent protection
- Thermal shutdown
- Inrush current protection circuit
- Auto-discharge
- Pull down connection between CONTROL and GND
- Ceramic capacitors can be used (CIN = 1.0μF, COUT = 1.0μF)
- TCR3EM series
- Ultra-small package DFN4D (1.0mm x 1.0mm; 0.37mm (typ.))
- Wide range output voltage line up (VOUT = 0.8V to 5.0V)
- Wide input voltage range (VIN = 1.3V to 5.5V)
- Low control voltage (HIGH) (VCTH = 0.8V (min))
- Low dropout voltage of VDO = 160mV (typ.) at 2.5V output, IOUT = 150mA
- High ripple rejection ratio (68dB (typ.) at 2.5V output, IOUT = 10mA, f = 1kHz)
- Fast load transient response (-57mV/+55mV (typ.) at 2.5V output, IOUT = 1mA ⇔ 150mA)
- Overcurrent protection
- Thermal shutdown
- Auto-discharge
- Inrush current protection circuit
- Pull down connection between CONTROL and GND
- Ceramic capacitors can be used (CIN = 1.0μF, COUT = 1.0μF)
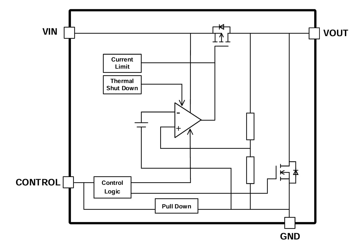
Block Diagram
