TRACO Power TEN 60WIR, Rugged 60W DC/DC Converters

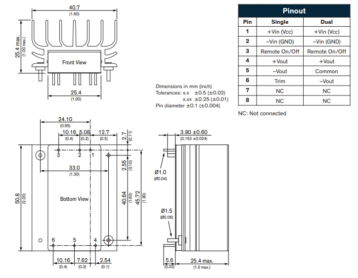
TRACO Power TEN 60WIR series are single and dual-output, ruggedized 60W DC/DC converters designed for railway and industrial applications with an ultra-wide 4:1 input voltage range. The series provides increased resistance against electromagnetic interference, shock/vibration, and thermal shock. The standard version comes with a specifically designed, pre-assembled heatsink in a 50.8mm x 40.7mm x 25.5mm overall package (2" x 1.6”) extending the thermal performance to -40° to +70°C ambient without derating. TRACO Power TEN 60WIR offers high efficiency of up to 92% and is approved to EN 50155 and EN 61373 standards for railway and transportation systems as well as IEC/EN/UL 62368-1 approved.

Features

  • Standard stocking model with heatsink: 50.8mm x 40.7mm x 25.5mm (2" x1.6")
  • Compact 50.8mm x 25.4mm (2" x 1") package (without heatsink)
  • Ultra-wide 4:1 input voltage range
    • 9VDC to 36VDC, 18VDC to 75VDC, or 36VDC to 160VDC
  • EN 50155 and EN 61373 approval for railway applications
  • Qualification for fire behavior, according to EN 45545-2
  • IEC/EN/UL 62368-1 approved
  • -40°C to +90°C operating temperature range
  • 3000VDC I/O isolation
  • High efficiency up to 92%
  • Under-voltage lockout circuit
  • Adjustable output voltage and Remote On/Off
  • Three-year product warranty

Applications

  • Railway
  • Transportation

Videos

Outline Dimensions & Pinout

Chart - TRACO Power TEN 60WIR, Rugged 60W DC/DC Converters
Published: 2020-07-21 | Updated: 2024-11-07