Vishay / Siliconix DG2519E High-Bandwidth Dual SPDT Analog Switches

Vishay / Siliconix DG2519E High-Bandwidth Dual Single-Pole, Double-Throw (SPDT) Analog Switches are monolithic CMOS SPDT analog switches designed explicitly for low-voltage, high-bandwidth applications. The DG2519E on-resistance, matching, and flatness are guaranteed over the entire analog voltage range. Wide dynamic performance is achieved at -61dB (typical) for cross-talk and off-isolation at 1MHz. The SPDTs operate with independent control logic, conduct equally well in both directions, and block signals up to the power supply level when off. Break-before-make is guaranteed. With fast switching speeds, low on-resistance, high bandwidth, and low charge injection, the DG2519E devices are ideally suited for audio and video switching with high linearity. Built on Vishay / Siliconix’s low-voltage CMOS technology, the DG2519E contains an epitaxial layer that prevents latch-up.

Features

  • Reduced power consumption
  • High accuracy
  • Reduce board space
  • Low-voltage logic compatible
  • High bandwidth
  • Single supply (1.8V to 5.5V)
  • Low 2.5Ω on-resistance (RON)
  • -61dB crosstalk and off isolation at 1MHz
  • MSOP-10 and DFN-10 package options
  • Lead-free, Halogen-free, and RoHS-compliant

Applications

  • Cellular phones
  • Speaker headset switching
  • Audio and video signal routing
  • PCMCIA cards
  • Low-voltage data acquisition
  • ATE

Specifications

  • ±50mA maximum continuous current (any terminal)
  • ±200mA maximum peak current (pulsed at 1ms, 10% duty cycle)
  • Maximum power dissipation
    • 320mW for MSOP-10
    • 1191mW for DFN-10
  • 300mA maximum latch-up
  • 2.7V to 3.3V power supply range
  • 1μA maximum power supply current
  • Maximum ESD ratings
    • 7.5kV Human Body Model (HBM)
    • 1.5kV Charged Device Model (CDM)
  • -40°C to +85°C operating temperature range

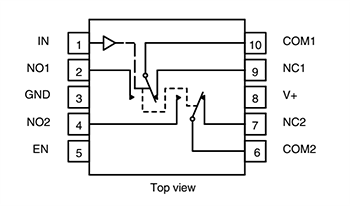
Block Diagram/Pin Configuration

Block Diagram - Vishay / Siliconix DG2519E High-Bandwidth Dual SPDT Analog Switches
Published: 2024-11-22 | Updated: 2024-12-20