Texas Instruments TPS631010EVM-109 Evaluation Module

Texas Instruments TPS631010EVM-109 Evaluation Module is designed to evaluate and test the operation and functionality of the TPS631010 buck-boost converter. This module operates at a 1.6V to 5.5V input voltage range and has an output voltage set to 3.3V. This evaluation module output current can increase to 2A when Vin is higher than 3V and 1.5A when Vin is higher than 2.7V.

Features

  • 1.6V to 5.5V input voltage range
  • 1.0V to 5.5V output voltage range
  • 3A peak current limit
  • 8µA typical quiescent current

Top View

Texas Instruments TPS631010EVM-109 Evaluation Module

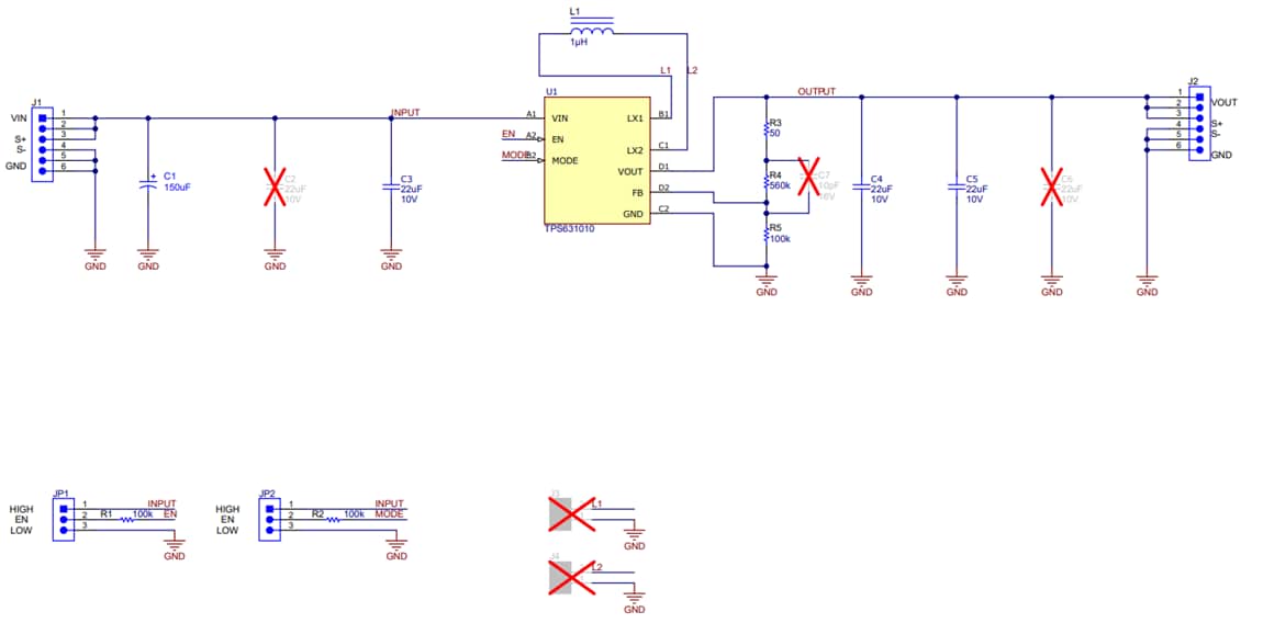
Schematic

Schematic - Texas Instruments TPS631010EVM-109 Evaluation Module
Published: 2023-03-15 | Updated: 2024-01-23